Description
ADPS系列可调差压开关设计用于压力,真空以及差压,其可调旋钮可以改变开关压力而不需要压力表。ADPS系列允许设定范围从 0.08˝ w.c.(20 Pa)到16˝ w.c.(4000 Pa),使用硅数酯和PA6.6主体制造的ADPS系列可以很完美的适用于空气和其它不易燃气体。
典型应用:
• 空气过滤器和空气设备监测
• 工业冷却电路监测
• 发热器过热保护
• 通风管道流量监测
• 空气控制和防火保护装置
• 热交换防冻保护
技术标准:
介 质: 空气以及不可燃、兼容气体
接液材质: 隔板材料:硅树脂. 外壳材料:开关:PA 6.6; 盖子:聚苯乙烯
温度极限: -4 到 185°F (-20 到 85°C)
压力极限: 最大工作压力: 40” W.C. (10 kPa)
开关类型:单刀双掷
反 复 性: ±15% FS
电气指标: 标准: 最大, 1.5A/250 VAC, 最大开关速度: 6圈/分;
黄金触点: 0.4 A/ 250 VAC
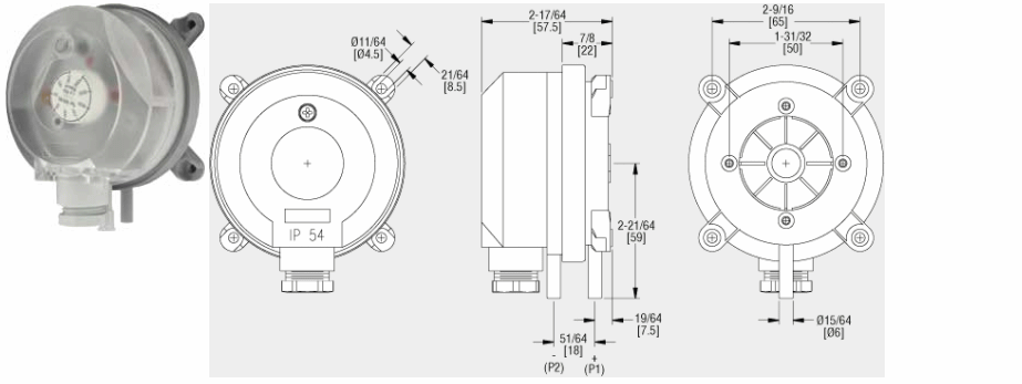
电气接头: 推进式螺丝端子. M20x1.5或可选1/2˝ NPT接头
工艺接头: 5/16˝ (7.94 mm) 外径,1/4˝ (6.0 mm) 内径
安装方位: 垂直, 压力接头向下
工作寿命: 超过100万次开关运作
重 量: 5.6 oz (160 g)
防护等级: NEMA 13, IP54
认 证: CE
型号表
| 型号 |
设定点范围
英寸水柱(Pa) |
死区
@ 最小设定点 IN W.C. (Pa) |
死区
@ 最大设定点 IN W.C. (Pa) |
|
ADPS-01-2-N
ADPS-04-2-N ADPS-03-2-N ADPS-05-2-N ADPS-06-2-N ADPS-07-2-N |
0.08 to 0.80 (20-200)
0.12 to 1.60 (30-400) 0.20 to 2.00 (50-500) 0.80 to 4.00 (200-1000) 2.00 to 10.00 (500-2500) 4.00 to 16.00 (1000-4000) |
0.04 (10)
0.06 (15) 0.08 (20) 0.4 (100) 0.6 (150) 1.0 (250) |
0.05 (12)
0.09 (22) 0.09 (23) 0.5 (130) 0.8 (200) 1.4 (350) |
附件:A-288,“L”型带螺栓金属固定支架 A-289,“S”型带螺栓金属固定支架





