德威尔DM-1000系列压差表

产品特色

•现场编程减少安装时间

•用户可选择的压力、空气速度或流量参数允许同一设备用于多种应用

•维护到期时警报的专用过滤器设置点

•安全级别允许匹配正确的技能访问

•电源多功能性可与9-24V直流电或9V电池配合使用,允许在各种有线或非有线空间进行部署

Description

产品特色

•现场编程减少安装时间

•用户可选择的压力、空气速度或流量参数允许同一设备用于多种应用

•维护到期时警报的专用过滤器设置点

•安全级别允许匹配正确的技能访问

•电源多功能性可与9-24V直流电或9V电池配合使用,允许在各种有线或非有线空间进行部署

技术指标

介质空气和不可燃气体,兼容气体

材质请咨询我们

外壳材料玻璃钢

精度±1%满量程(包括线性、滞后和重复性);

1英寸水柱以下量程范围为±2%满量程

温度范围0~140°F(-18~60℃)

温度补偿范围32~122°F(0~50℃)

稳定性±1%满量程/年

温度影响标准值为±0.05%满量程/°F

一英寸水柱以下的量程范围为±0.10%满量程/°F

显示4位液晶显示(数显尺寸:0.60"Hx0.33"W)

显示刷新可选择1秒,10min,或者选择按下按键更新

压力范围正常和双向范围≤5inw.c.,耐压2psi(13.7kPa);

正常和双向范围≥10inw.c.,耐压11psi(75kPa)

可选择工程单位:inw.c.,psi,kPa,Pa,mmw.c.,mBar,inHg,mmHg,FS(0~100%FS)

电源要求9V碱性电池(已配备,用户可更换),可外接电源9-24VDC

电池使用寿命电池寿命取决于显示更新时间:

如果显示更新时间为1秒,则可用150小时;

如果显示时间为10min,寿命为9个月;

如果禁用显示更新,电池可用1.5年

采用锂电池(基于ULTRALIFE的U9VL-J型)的话,寿命可提高四倍

电源消耗最大5mA

电气连接可移除接线端排,16至26AWG线芯

接入方式:电缆压盖,用于0.114到0.250"(2.9至6.4mm)直径电缆

过程连接1/8"(3mm)内径的软管

防护等级NEMA4X(IP66)

重量1.18lb(535g)

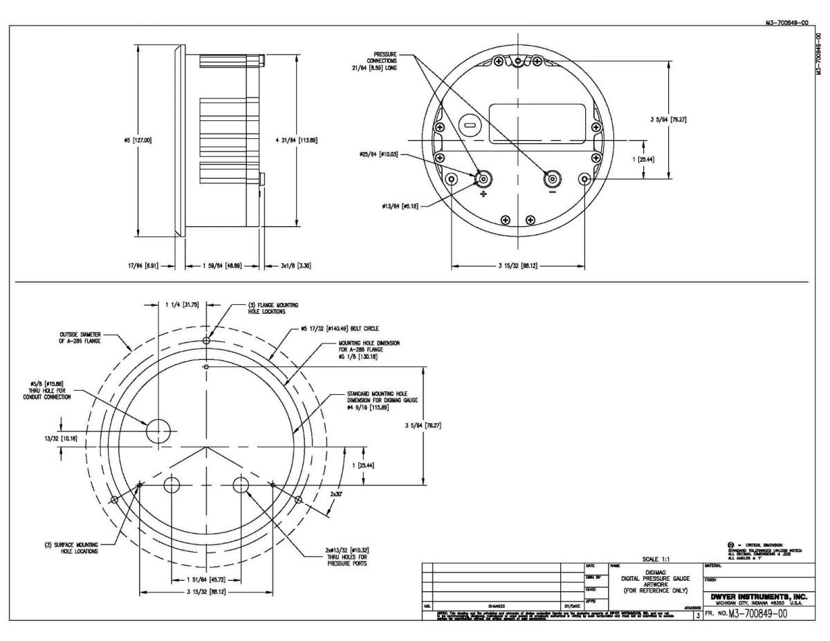
尺寸前面板直径为5"(127mm)

机构认证CE

选型表

EXAMPLE DM 11 4 AT Series DM-1104-AT Differential   Pressure Gage, range 0-1.0" w.c., with aluminum tag.
序列 DM
GAGE   TYPE 11 Pressure
12 Air   Flow
范围 2 0-0.25" w.c.
3 0-0.50" w.c.
4 0-1" w.c.
5 0-2" w.c.
7 0-5" w.c.
8 0-10" w.c.
9 0-15" w.c.
10 0-25" w.c.
11 0-50" w.c.
12 0-100" w.c.
22 0.25-0-0.25" w.c.
23 0.50-0-0.50" w.c.
24 1-0-1" w.c.
25 2-0-2" w.c.
27 5-0-5" w.c.
28 10-0-10" w.c.
选项 AT 铝制标签
NIST NIST   校准证书

型号 描述
DM-1102 DigiMag differential digital pressure    gage, range 0-0.25" w.c.
DM-1103 DigiMag differential digital pressure   gage, range 0-0.5" w.c.
DM-1104 DigiMag differential digital pressure   gage, range 0-1" w.c.
DM-1105 DigiMag differential digital pressure   gage, range 0-2" w.c.
DM-1107 DigiMag differential digital pressure   gage, range 0-5" w.c.
DM-1108 DigiMag differential digital pressure   gage, range 0-10" w.c.
DM-1109 DigiMag differential digital pressure   gage, range 0-15" w.c.
DM-1110 DigiMag differential digital pressure   gage, range 0-25" w.c.
DM-1111 DigiMag differential digital pressure   gage, range 0-50" w.c.
DM-1112 DigiMag differential digital pressure   gage, range 0-100" w.c.
DM-1122 DigiMag differential digital pressure   gage, range 0.25-0-0.25" w.c.
DM-1123 DigiMag differential digital pressure   gage, range 0.5-0-0.5" w.c.
DM-1124 DigiMag differential digital pressure   gage, range 1-0-1" w.c.
DM-1125 DigiMag differential digital pressure   gage, range 2-0-2" w.c.
DM-1127 DigiMag differential digital pressure   gage, range 5-0-5" w.c.
DM-1128 DigiMag differential digital pressure   gage, range 10-0-10" w.c.

产品尺寸